-
JW12X3法兰式工业空气弹簧气囊定制生产厂家(自动化机器人设备缓冲减震)232/260/330 100-430 FT34300-3F04 SP55300-3F04 M002297 115004 W01-R58-4037 TF30004 3B12X3 SP2666NB A06030606 H2500011 -
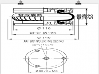
JW12X1法兰式空气弹簧气囊工业设备单层气囊气缸 Equipment air spring airbag 232/260/330 50-150 FS412-10 FS412-10DS 12X1 1B12X1 -
JW10X1法兰式空气弹簧气囊工业设备单层气囊气缸 Equipment air spring airbag 181/210/270 50-150 FS210-10 DS FS210-10 10X1 1B10X1 -
JW6X1法兰式空气弹簧气囊工业设备单层气囊气缸 Equipment air spring airbag 127/153.5/175 50-105 M/31061 M31061 6X1 FS76-7 DS CR FS76-7DSCR W01-R58-4052 SP136 -
JW8X1法兰式空气弹簧气囊工业设备单层气囊气缸 155.5/184/230 50-130 M/31081 M31081 8X1 W01-R58-4054 SP1637 FS138-8 DS SP555740 OEM 23880Z138 -
JW6X2法兰式空气弹簧气囊工业设备双层气囊气缸 127/153.5/178 75-190 SP55150-2F06 M/31062 M31062 6X2 2B6-2051 FD76-14 DS CR FD76-14DSCR W01-R58-4053 SP1482 -
JW8X2法兰式空气弹簧气囊工业设备双层气囊气缸 155.5/184/230 75-250 8X2 M/31082 M31082 SP55200-2F01 M80A04 F48054 A06030604 H2500188 W01-R58-4055 FD138-18 FD138-18DS 2Y205160 2B205160 H2500021 1531110600 SP1490/SP918 -
JW10X2法兰式空气弹簧气囊工业设备双层气囊气缸 181/210/270 75-300 SP55255-2F01 H2500021 16900362 A2250/K01 H 250-0021 2B-255 113100 140586 15807 W01-R58-4058 SP1538 SP255 W01-358-4048 M/31102 M31102 FD210-22DS 10*2 10X2 -
JW12X2法兰式空气弹簧气囊工业设备双层气囊气缸偏气孔 232/260/325 75-300 SP55300-2F01 FD412-18DS FD412-18 M/31122 M31122 2B12X2 UJB0985 M063796 M063769 A06030601 A06030615 70M009074 M009074 -
JW12X2法兰式空气弹簧气囊工业设备双层气囊气缸 232/260/325 75-300 FT34300-2F A06030616 Y00001137 SP55300-2F02 SP55300-2F 00881202 SP55370-2F32 Y11000603 FD412-18DS FD412-18 M/31122 M31122 2B12X2 2Y300180 12X2 12*2 2Y300185 -
工业设备空气弹簧气囊定制生产厂家(适合用于自动化机械机器人设备起到缓冲减震效果) SP557400 S1013 C1013 AS0003 227002002 90557016 1003587400C 554788C1 1610769000 1610796000 693230 3918348 -
工业设备空气弹簧气囊定制生产厂家(适合用于自动化机械机器人设备起到缓冲减震效果) SP556994 OEM FS6994 1B5070 W01-358-6994 W01-358-6919 6374/4467